● True RMS Measurements
● Unbalance & Phase Angles
● Demands and Multi-Tariff energy
● Max/Min Log with Timestamp
● Alarms and SOE Logs
● External Option module
Product Detail:
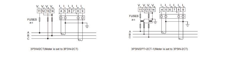
General
APM series power meters of ACREL are power meters that are designed according to IEC standards and synchronized with international advanced technology. APM series meters have full power measurement, energy statistics, analysis of power quality and network communications and other functions, are mainly used for comprehensive monitoring of thequality of power supply network.
This series of meters use a modular design, with a rich function of the external DI / DO module, AI / AO module, event recording (SOE) module with T-Flash (TF) card, network communication module, can achieve full power measurement of electrical circuit and monitoring of switch status, Dual RS485 with Ethernet interface can realize data copying of RS485 master station, eliminating the need for data switching exchange. PROFIBUS-DP interface can realize high-speed data transmission and networking function.








Reviews
There are no reviews yet.